1998 Lincoln Town Car Heater Core

1998 Lincoln Town Car Heater Core Youtube

1998 Lincoln Town Car Heater Core Youtube

Town Car Heater Core Detail Youtube

Town Car Heater Core Detail Youtube

Need Instructions For Removal And Replacement Of Heater Core On 92 Lincoln Town Car

Need Instructions For Removal And Replacement Of Heater Core On 92 Lincoln Town Car

How To Replace Heater Blower Motor With Fan Cage 98 02 Lincoln Town Car Youtube

How To Replace Heater Blower Motor With Fan Cage 98 02 Lincoln Town Car Youtube

1997 Lincoln Town Car Blend Door Actuator Replacement Read Description Youtube

1997 Lincoln Town Car Blend Door Actuator Replacement Read Description Youtube

2006 Town Car Heater Core Detail Youtube

2006 Town Car Heater Core Detail Youtube

2006 Town Car Heater Core Detail Youtube

Or do you have to drain the air condtioner unit and replace freon when you replace the heater core.

1998 lincoln town car heater core.

It still wont budge. Dash out completely to renew so drain the ac as well use a proper recovery machine for the ac gas is extremely dangerous. 1998 lincoln town car heater core. Showing 1 3 of 3 results.

Designed specifically for your vehicle motorcraft products meet stringent ford motor company standards and feature oem quality without the oem price. Same quality as oe for less money designed with the latest software and manufactured with modern tooling. 1998 lincoln town car signature 8 cyl 4 6l. 1998 lincoln town car heater core motor post broken.

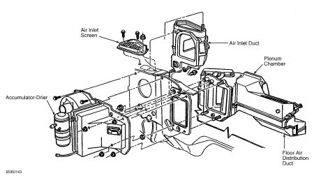
I am trying to replace the heater core in a 1998 lincoln town car. Free shipping on many items. I can see the plenum but it won t budge from the firewall. The heater core is located in a case under the dash and is connected into the engine cooling system.

F8vz18476aa quantity sold. Guaranteed to fit 23 53. I took out the hoses the nut next to the hoses and the nuts under the dash on the bottom of the plenum. Hvac heater core front tyc 96040 fits 1998 2002 lincoln town car w 4 6l engine.

When i bought the lincoln i did not notice that the hoses to the heater core had been bypassed by looping a short hose between what i will call for lack of exact terminology the intake and output post on the back of motor. Motorcraft is the way to restore the performance of your vehicle. Lincoln town car 1998 2002 hvac heater core by motorcraft. Replaces oe number.

I have the instrument panel partly out and on the seat. Lincoln town car 1998 hvac heater core by apdi. 1998 lincoln town car.

1985 Lincoln Town Car Heater Core Removal Heater Problem 1985

1985 Lincoln Town Car Heater Core Removal Heater Problem 1985

98 Lincoln Town Car Wiring Diagram And Lincoln Town Car Engine Diagram Types Of Electrical In 2020 Lincoln Town Car Car Alternator Car Engine

98 Lincoln Town Car Wiring Diagram And Lincoln Town Car Engine Diagram Types Of Electrical In 2020 Lincoln Town Car Car Alternator Car Engine

1997 Lincoln Town Car Heater Core Bypass Air Conditioning Problem

1997 Lincoln Town Car Heater Core Bypass Air Conditioning Problem

I Have A L988 Lincoln Town Car The Heater Will Not Put Out Warm Air We Have Replaced The Heater Core Radiator

I Have A L988 Lincoln Town Car The Heater Will Not Put Out Warm Air We Have Replaced The Heater Core Radiator

My Experience With Heater Core Replacement On The Mercury Grand Marquis Ford Crown Victoria Youtube

My Experience With Heater Core Replacement On The Mercury Grand Marquis Ford Crown Victoria Youtube

Heater Core Help Fast Lincolns Online Message Forum

Heater Core Help Fast Lincolns Online Message Forum

1996 Lincoln Town Car 1996 Lincoln Town Car How Do You Take A

1996 Lincoln Town Car 1996 Lincoln Town Car How Do You Take A

Lincoln Town Car Parts Accessories Catalog Interior Body Parts

Lincoln Town Car Parts Accessories Catalog Interior Body Parts

1998 2011 Lincoln Town Car Hose Check 1999 Lincoln Town Car Signature 4 6l V8

1998 2011 Lincoln Town Car Hose Check 1999 Lincoln Town Car Signature 4 6l V8

80 89 Lincoln Town Car Heater Core Ebay

80 89 Lincoln Town Car Heater Core Ebay

1989 Lincoln Town Car Heater Core Picture Supermotors Net

1989 Lincoln Town Car Heater Core Picture Supermotors Net

2002 Lincoln Town Car Grand Marquis Replacement Youtube

2002 Lincoln Town Car Grand Marquis Replacement Youtube

Alternative Cheap 1995 1997 Lincoln Town Car Blend Door Actuator Replacement Youtube

Alternative Cheap 1995 1997 Lincoln Town Car Blend Door Actuator Replacement Youtube

Heater Not Working Heater Problem Two Wheel Drive Automatic

Heater Not Working Heater Problem Two Wheel Drive Automatic

1988 Lincoln Town Car 88 Town Car A Few S

1988 Lincoln Town Car 88 Town Car A Few S

Mercury Grand Marquis 1994 Grand Marquis Mercury Marquis Classic Cars

Mercury Grand Marquis 1994 Grand Marquis Mercury Marquis Classic Cars

Wet Passenger Floor Lincoln Town Car Youtube

Wet Passenger Floor Lincoln Town Car Youtube

How To Fix Water Leaking In The Floor Of 2003 Lincoln Town Car Youtube

How To Fix Water Leaking In The Floor Of 2003 Lincoln Town Car Youtube

Https Encrypted Tbn0 Gstatic Com Images Q Tbn 3aand9gcrzvoa450yxnicv39wiofylnusrezsdcbunjkvoqqjb U7xi9z2 Usqp Cau

Https Encrypted Tbn0 Gstatic Com Images Q Tbn 3aand9gcrzvoa450yxnicv39wiofylnusrezsdcbunjkvoqqjb U7xi9z2 Usqp Cau

1999 Lincoln Town Car Consumer Reviews Cars Com

1999 Lincoln Town Car Consumer Reviews Cars Com

Lincoln Town Car Ac Compressor Air Conditioning Uac Gpd Valeo Four Seasons 2004 2003 1997 1998 2000 1999 1996 2001 04 03 97 98 00 99 96 01 Partsgeek Com

Lincoln Town Car Ac Compressor Air Conditioning Uac Gpd Valeo Four Seasons 2004 2003 1997 1998 2000 1999 1996 2001 04 03 97 98 00 99 96 01 Partsgeek Com

Removing The Dash Face On A 90 94 Town Car Youtube

Removing The Dash Face On A 90 94 Town Car Youtube

How To Replace Radiator Cooling Fan Assembly 00 02 Lincoln Town Car Youtube

How To Replace Radiator Cooling Fan Assembly 00 02 Lincoln Town Car Youtube

Lincoln Town Car Cartier Series Junkyard Find

Lincoln Town Car Cartier Series Junkyard Find

1990 Lincoln Town Car Heater Blows Cold Air Even With Heat On Full Core Checks Out Good And Full Of Hot Fluid All

1990 Lincoln Town Car Heater Blows Cold Air Even With Heat On Full Core Checks Out Good And Full Of Hot Fluid All

How To Replace Spark Plugs 91 08 Lincoln Town Car 1a Auto

How To Replace Spark Plugs 91 08 Lincoln Town Car 1a Auto

1995 Lincoln Town Car Heater Core Removal

1995 Lincoln Town Car Heater Core Removal

1998 02 Lincoln Town Car Consumer Guide Auto

1998 02 Lincoln Town Car Consumer Guide Auto

2006 Lincoln Town Car Headlight Reseal Removal Replace Water In Headlight Fix Youtube

2006 Lincoln Town Car Headlight Reseal Removal Replace Water In Headlight Fix Youtube

1991 Ford Ltd Crown Victoria 4 Dr Lx Sedan Ford Ltd Ford Victoria

1991 Ford Ltd Crown Victoria 4 Dr Lx Sedan Ford Ltd Ford Victoria

Pin On Cadillac Style

Pin On Cadillac Style

Pin On Air Conditioning And Heat Car And Truck Parts

Pin On Air Conditioning And Heat Car And Truck Parts

My Curbside Classic 1988 Lincoln Town Car A Tactful Rebuttal Curbside Classic

My Curbside Classic 1988 Lincoln Town Car A Tactful Rebuttal Curbside Classic

29864d1315673496 1994 325i English Fuse Diagram Wanted E36 325i Fuse Relay Diagram Jpg 2000 1100

29864d1315673496 1994 325i English Fuse Diagram Wanted E36 325i Fuse Relay Diagram Jpg 2000 1100

1989 Lincoln Heater Core Replacement Youtube

1989 Lincoln Heater Core Replacement Youtube

1995 Signature Series Spinnaker Edition Lincoln Town Car

1995 Signature Series Spinnaker Edition Lincoln Town Car

Lincoln Town Car Heater Core Replacement By Angers Auto Parts Orlando Florida Youtube

Lincoln Town Car Heater Core Replacement By Angers Auto Parts Orlando Florida Youtube

Used 1998 Lincoln Town Car For Sale In Los Angeles Ca Cars Com

Used 1998 Lincoln Town Car For Sale In Los Angeles Ca Cars Com

Pin By Joy Bauman On Cars Ford Classic Cars Ford Ltd Ford Motor

Pin By Joy Bauman On Cars Ford Classic Cars Ford Ltd Ford Motor

1988 Lincoln Town Car Overview Cargurus

1988 Lincoln Town Car Overview Cargurus

Lincoln Town Car Questions What Could Be Wrong If Antifreeze Is Leakin From Middle Of My Car Hear Cargurus

Lincoln Town Car Questions What Could Be Wrong If Antifreeze Is Leakin From Middle Of My Car Hear Cargurus

Used 1998 Lincoln Town Car For Sale In Chicago Il Cars Com

Used 1998 Lincoln Town Car For Sale In Chicago Il Cars Com

2001 2008 Dodge Chrysler Heater And A C Blend Door Actuator Genuine New Dodge Chrysler Chrysler Actuator

2001 2008 Dodge Chrysler Heater And A C Blend Door Actuator Genuine New Dodge Chrysler Chrysler Actuator

Lincoln Town Car 2001 Hvac Blower Motor Regulator Replacement Youtube

Lincoln Town Car 2001 Hvac Blower Motor Regulator Replacement Youtube

Source : pinterest.com